
Blog
Technik, Embedded, Smart Home und alles dazwischen.


Fresh Air for Mole Holes – Dyson Floor Nozzle Revived

Getting Rid of Nasty Underground Neighbours - IoT Mouse Trap

Crying on Open Waters - A Piece of HW for AhoyDTU and Reading the Hoymiles Inverters

Intensive Underground Metering - An RJ45 Breakout for Connecting Your Meters Through Ethernet Cabling

Doing the Undone - Decoding SML or Hacking the Tibber Raw Data

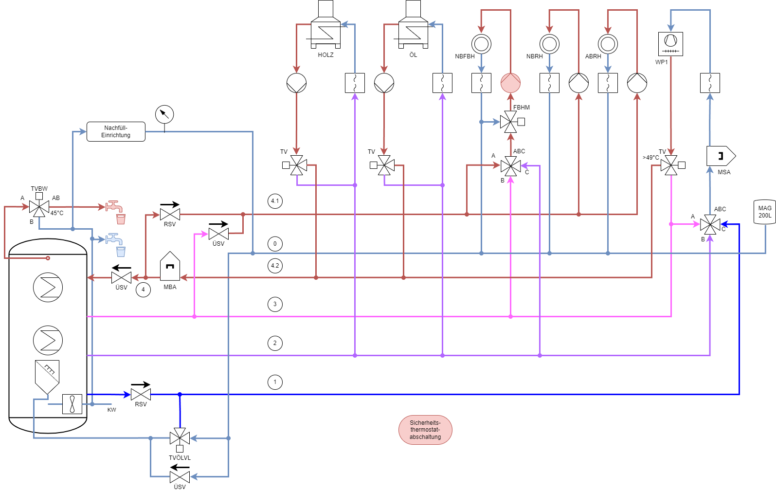
Code Red on Fire - Or Heat-Metering with Node-Red

Taming The Cephodian Octopus - Reef

Smart Home Controlled Joy-IT Lab Power Supply
MBus application layer
Reading a meter speaking MBus

In The Heat Of The Night - 1-Wire Temperature Sensor Directly Immersed

Mole's Underground Heating System Can Not Be Over-Engineered 😋 (work in progress)

Some Thoughs On The M-Bus

The Remote Serial Debugging Nightmare

Pushing the Rectangle Through the Round - Develop With RIOT OS on Windows - Doing The Impossible

Get The Hell Out Of My Wall-Box... or How To Make Cheap Type-2 Adapter Cables Not So Sticky...

How To Open Your Zipper - Use Fuse To Browse Archives

Just Do It - How To Create Your Own Home Assistant Add-On - Part 1

EEX, EPEX SPOT And The Real Net-(In)transparency

Get Your Personal Oil Well Level - Integrating OilFox Into Home Assistant using node-red

Ultrasound Distance Module Overview

Reverse Engineering the Buderus KM271 - And Making It WiFi-Flying on ESPhome and Home Assistant

Limiting EV Charge SOC with go-echarger and Home Assistant - Update
How to limit charging to a predefined SOC with go-echarger and Home Assistant if your car does not support this feature.

wmBus Meters And How To Get It Into Home Assistant

The Magic Of Absolute Humidity

Taking Your M-Bus To The Next Level... MQTT

Kathrein EXIP 418 - Getting It Back To Work on Ubiquity Networks

Think Sustainable, TH!NK City (reanimated) - Work in Progress
Ever heard about the TH!NK City electric car? No? Before I got asked to help bringing it to life again, I also didn't. In fact, if you do not count the first cars at all, which have been electrical, too, it was one of the first electric cars, at least in the 21st century, that entered serial production somehow. Now these cars are mostly dead, because the battery died when not used for some time...

How to Wire an EV Wall-Box (the economic perspective)

Angular Web App on ESP32

ESP32-EVB, PlatformIO And ESP-IDF – Yet Another ESP32 tutorial

Sorting Your Digital Mess - How to Easily Set-Up a Private Search Engine
Just Another Hobby - 3D Printing
STM32 USB-DFU
STM32 FreeRTOS and printf

ESP32-EVB, PlatformIO And Arduino - Yet Another ESP32 tutorial
Doxygen - Tips and Tricks
FreeRTOS debugging on STM32 - CPU usage
Penmount PCI Touch Controllers And I2C - Lost In Space
STM32CubeMX and SDRAM
Installing BigBlueButton on Your Dedicated Server
How To Debug Hardware-Faults on Your Dedicated Server
School's out - How to Tame Your Children

Integrating wmBus devices into iobroker

STM32 BLDC Motor Control
Merging the Contents of Two InfluxDBs
Headless Rescue System over SSH
STM32 UART Continuous Receive with Interrupt
How to build a Smart Home
OrangePi 4G-IoT Complete Pack
How to Build A Private Storage Cluster (with Ceph)
Compile Ceph (master) on ARM (32-Bit)
Compiling Software on RAM-limited Multi-Core Systems
OrangePi 4G-IoT Android 8.1 SDK
OrangePi 2G-IOT Android 4.4 SDK
Google ChromeCast's (Smartphone) Independance Day
Atlassian And New SSL Certificates

Windows (was) just a pain
Getting Started Embedded – Part II – The Embedded Project
Getting Started Embedded - Part I - The Toolchain
Just digged up
🍪 Diese Seite verwendet Cookies
Ich nutze Google Analytics (GA4) und Google AdSense, um die Nutzung zu analysieren und Werbung zu schalten. Weitere Infos in der Datenschutzerklärung .
